通过了ISO9001质量管理体系认证和CE产品安全认证,I类及II类防爆产品认证,并拥有多项科技成果
拥有高精度CNC数控机群、全自动绕线机、机器人铜焊机、PLC控制的自动BMC塑料封装机、电磁铁静动态特性智能测试系统、磁芯管耐油压试验台、磁芯管脉冲疲劳试验台等各种现代化的加工制造设备和检测仪器
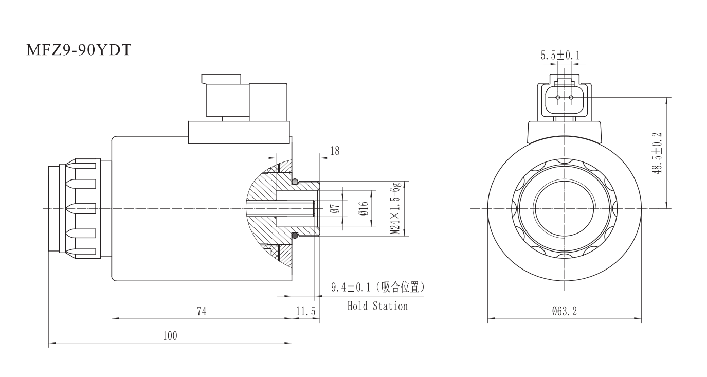
本系列电磁铁作为液压电磁换向阀的动力元件,配套于六通径、十通径螺纹连接的电磁换向阀。电磁铁电源连接方式采用德驰型或安普型,防水性能较佳。
| 型号 | 额定电压(V) | 额定吸力(N) | 额定行程(mm) | 全行程(mm) | 消耗功率(W) | 承受静态油压(MPa) | 操作频率(T/h) | 线圈内孔直径(mm) | 外壳防护等级 |
|---|---|---|---|---|---|---|---|---|---|
| MFZ9-90YC(DT) |
12/24 |
≥90 |
4 |
≥9 |
≤36 |
21 |
≤12000 |
φ31.4 |
IP67 |
