通过了ISO9001质量管理体系认证和CE产品安全认证,I类及II类防爆产品认证,并拥有多项科技成果
拥有高精度CNC数控机群、全自动绕线机、机器人铜焊机、PLC控制的自动BMC塑料封装机、电磁铁静动态特性智能测试系统、磁芯管耐油压试验台、磁芯管脉冲疲劳试验台等各种现代化的加工制造设备和检测仪器
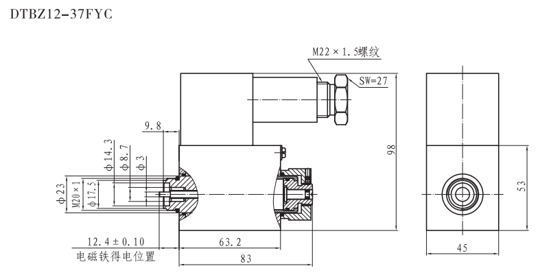
本系列电磁铁是隔爆型液压阀用电磁铁,可配套力士乐型/油研型六通、十通换向阀,作为防爆电磁换向阀的动力元件使用。
| 型号 | 使用环境 | 额定电压(V) | 额定吸力(N) | 防护等级 | 额定行程(mm) | 全行程(mm) | 承受静态油压(MPa) |
|---|---|---|---|---|---|---|---|
| DTBZ12-37FYC |
Ex db Ⅰ Mb Ex db Ⅱ C T4 Gb Ex tb Ⅲ C T130℃ Db |
DC12/24/110 AC36/127/220 |
37 |
IP65 |
2.8 |
≥6.1 |
21 |
| DTBZ12-90FYC |
Ex db Ⅰ Mb Ex db Ⅱ C T4 Gb Ex tb Ⅲ C T130℃ Db |
DC12/24/110 AC36/127/220 |
90 |
IP65 |
4 |
≥9 |
21 |
| DTBZ9-37FYC |
Ex db Ⅰ Mb Ex db Ⅱ C T4 Gb Ex tb Ⅲ C T130℃ Db |
DC12/24/110 AC36/127/220 |
37 |
IP65 |
2.8 |
≥6.1 |
21 |
| DTBZ9-90FYC |
Ex db Ⅰ Mb Ex db Ⅱ C T4 Gb Ex tb Ⅲ C T130℃ Db |
DC12/24/110 AC36/127/220 |
37 |
IP65 |
4 |
≥9 |
21 |
