通过了ISO9001质量管理体系认证和CE产品安全认证,I类及II类防爆产品认证,并拥有多项科技成果
拥有高精度CNC数控机群、全自动绕线机、机器人铜焊机、PLC控制的自动BMC塑料封装机、电磁铁静动态特性智能测试系统、磁芯管耐油压试验台、磁芯管脉冲疲劳试验台等各种现代化的加工制造设备和检测仪器
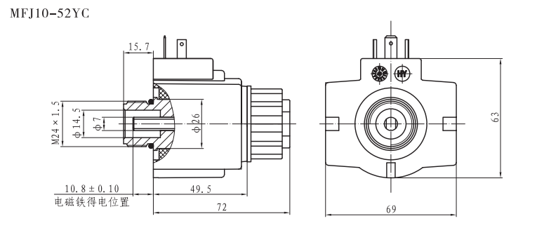
本系列电磁铁适用于单相桥式全波整流的直流电源,电压至220V的控制电路中,作为液压电磁换向阀的动力元件,可配套于台湾型六、十通螺纹连接的电磁换向阀。
| 型号 | 额定电压(V) | 额定吸力(N) | 额定行程(mm) | 全行程(mm) | 消耗功率(W) | 承受静态油压(MPa) | 操作频率(T/h) | 线圈内孔直径(mm) |
|---|---|---|---|---|---|---|---|---|
| MFJ10-52YC |
110/120/220/240 |
≥52 |
4 |
≥8.5 |
≤55 |
21 |
≤12000 |
φ26 |
| MFZ10-20YC |
12/24 |
≥20 |
3 |
≥6 |
≤32 |
21 |
≤12000 |
φ20 |
| MFZ10A-20YC |
12/24 |
≥20 |
3 |
≥6 |
≤32 |
21 |
≤12000 |
φ20 |
| MFJ10-28YC |
12/24 |
≥20 |
3 |
≥6 |
≤28 |
19 |
≤12000 |
φ20 |
| MFJ10A-28YC |
12/24 |
≥20 |
3 |
≥6 |
≤28 |
19 |
≤12000 |
φ20 |
| MFJ10A-52YC |
110/120/220/240 |
≥52 |
4 |
≥8.5 |
≤55 |
21 |
≤12000 |
φ26 |
| MFZ10-55YC |
12/24 |
≥55 |
4 |
≥8.5 |
≤42 |
21 |
≤12000 |
φ26 |
| MFZ10A-55YC |
12/24 |
≥55 |
4 |
≥8.5 |
≤42 |
21 |
≤12000 |
φ26 |
| MFJ10-50YC(Q2) |
110/120/220/240 |
≥50 |
4 |
≥8.5 |
≤55 |
21 |
≤12000 |
φ26 |
