通过了ISO9001质量管理体系认证和CE产品安全认证,I类及II类防爆产品认证,并拥有多项科技成果
拥有高精度CNC数控机群、全自动绕线机、机器人铜焊机、PLC控制的自动BMC塑料封装机、电磁铁静动态特性智能测试系统、磁芯管耐油压试验台、磁芯管脉冲疲劳试验台等各种现代化的加工制造设备和检测仪器
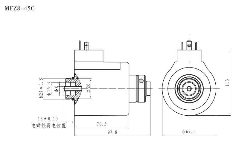
本电磁铁适用于直流电压至220V的控制电路中,作为电磁气阀的动力元件,连接方式是螺钉连接,可应用于仪表行业。
| 型号 | 额定电压(V) | 额定吸力(N) | 额定行程(mm) | 全行程(mm) | 消耗功率(W) | 防护等级 | 线圈内孔直径(mm) |
|---|---|---|---|---|---|---|---|
| MFZ8-45C |
18 |
≥45 |
4 |
≥4.1 |
≤60 |
IP65 |
φ26 |
