通过了ISO9001质量管理体系认证和CE产品安全认证,I类及II类防爆产品认证,并拥有多项科技成果
拥有高精度CNC数控机群、全自动绕线机、机器人铜焊机、PLC控制的自动BMC塑料封装机、电磁铁静动态特性智能测试系统、磁芯管耐油压试验台、磁芯管脉冲疲劳试验台等各种现代化的加工制造设备和检测仪器
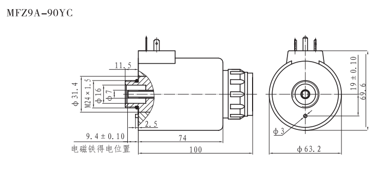
本系列电磁铁适用于单相桥式全波整流的直流电源,电压至220V的控制电路中,作为液压电磁换向阀的动力元件。可配套于日本油研型(YUKEN)六、十通径接线盒式螺纹连接的电磁换向阀。
| 型号 | 额定电压(V) | 额定吸力(N) | 额定行程(mm) | 全行程(mm) | 消耗功率(W) | 承受静态油压(MPa) | 操作频率(T/h) | 线圈内孔直径(mm) |
|---|---|---|---|---|---|---|---|---|
| MFZ9A-90YC |
12/24 |
≥90 |
4 |
≥8.5 |
≤36 |
21 |
≤12000 |
φ26 |
| MFZ9A-20YC |
12/24 100/220 |
≥20 |
3 |
≥6 |
≤28 |
19 |
≤12000 |
φ19 |
| MFZ9A-20YC(SG) |
12/24 |
≥20 |
3 |
≥6 |
≤30 |
19 |
≤12000 |
φ19 |
| MFJ9A-26YC |
100/110/120/200/220/240 |
≥26 |
3 |
≥6 |
≤26 |
19 |
≤12000 |
φ20 |
| MFJ9-26YC(HP) |
110/220 |
≥26 |
3 |
≥6 |
≤26 |
19 |
≤12000 |
φ20 |
| MFZ9A-42YC |
12/24 |
≥25 |
3 |
≥6 |
≤38 |
21 |
≤12000 |
φ23 |
| MFZ9A-37YC |
12/24 |
≥37 |
3 |
≥6.1 |
≤30 |
21 |
≤12000 |
φ23 |
| MFJ9A-50YC |
100/110/120/200/220/240 |
≥50 |
4 |
≥8.5 |
≤55 |
21 |
≤12000 |
φ26 |
| MFZ9A-55YC |
12/24 100/220 |
≥55 |
4 |
≥8.5 |
≤42 |
21 |
≤12000 |
φ26 |
